
Запит клієнта.
До нас звернулася виробнича компанія з нестандартним і технічно складним запитом: розробити і впровадити лінію для фасування хімічної суміші на основі графіту (за властивостями - аналог сажі) в клапанний мішок дозою 5,5 кг.
Продукт виявився вкрай складним у роботі:
- Важкосипучий;
- Дуже летючий;
- При змішуванні компонентів схильний злежуватися в комки.
Крім самого фасування клієнту потрібно було:
- попередньо змішувати кілька компонентів,
- подрібнювати отриману суміш до однорідного стану перед фасуванням,
- і при цьому максимально виключити розсіювання пилу.
Виконана робота.
Ми розробили і спроектували антипилову лінію, об'єднавши в одному технологічному рішенні процеси змішування, дроблення і фасування.


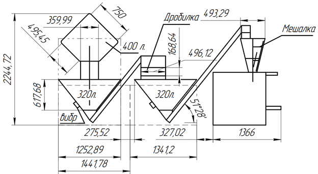
Структура лінії:
- ✅Змішувач "п'яна бочка"
- Кубічної форми, зі зміщеною віссю обертання.
- Забезпечує якісне та рівномірне змішування всіх компонентів
 
- ✅Механізм вивантаження
- Змішувач встановлений на напрямних і після завершення циклу наїжджає на завантажувальний транспортер, скидаючи всю партію продукту.
 
- ✅Перший шнековий транспортер
- Переміщує продукт через дробарку, подаючи його порційно, що забезпечує ефективне подрібнення і запобігає утворенню комків.
 
- ✅Другий транспортер-накопичувач
- Служить буфером між дробаркою і фасувальною ділянкою.
- Обладнаний вібромоторами, які запобігають налипанню продукту на стінки.
 
- ✅Фасувальний напівавтомат для клапанних мішків
- Оснащений вбудованою мішалкою в бункері, що особливо важливо для важкосипких сумішей.
- Забезпечує точне дозування 5,5 кг у кожен мішок.
 
Додаткові особливості:
- 💨 Антипилова конструкція: всі ділянки лінії були спроектовані з урахуванням мінімізації запилення.
- 🧠 Ротаційні датчики: підібрані спеціальні моделі, здатні стабільно працювати в умовах запиленості, для автоматизації подачі та фасування.
- 🔁 Вібромотори: встановлені на транспортерах, забезпечують стабільну подачу і запобігають залипанню продукту.
Результат:
- Клієнт отримав комплексне, індивідуально розроблене рішення, що закриває всі етапи - від підготовки суміші до фасування.
- Лінія стабільно працює з одним із найбільш примхливих за властивостями продуктів.
- Весь процес організовано з урахуванням вимог до чистоти та безпеки на виробництві.


 
											